- 河野 英仁
- 河野特許事務所 弁理士
- 弁理士
対象:特許・商標・著作権
- 河野 英仁
- (弁理士)
- 河野 英仁
- (弁理士)
引用式並列独立請求項の技術的範囲解釈
~最高人民法院による並列独立請求項の解釈~
中国特許判例紹介(38)(第1回)
2015年1月20日
執筆者 河野特許事務所
弁理士 河野 英仁
ハルピン工業大学星河実業有限公司
再審申請人(一審原告、二審被上訴人)
v.
江蘇潤徳管業有限公司
再審被申請人(一審被告、二審上訴人)
1.概要
特許請求の範囲の記載方式として独立請求項と従属請求項とが存在し、発明の単一性を満たすのであれば、複数の独立請求項を一の特許出願に含めることができる(専利法第31条)。ここで、一出願内に含まれる複数の独立請求項は並列独立請求項と呼ばれる。
並列独立請求項は従属請求項ではないが、その前に存在する他の独立請求項を引用することができる。このように並列独立請求項が、他の独立請求項を引用している場合に、他の独立請求項の記載内容により、並列独立請求項の権利範囲が限定解釈されるか否かが問題となった。
本事件において、最高人民法院は、並列独立請求項は従属請求項ではなく独立した請求項であるとしながらも、引用された独立請求項が当該並列独立請求項の技術方案または保護主体に対し、実質的な影響を及ぼす場合は、引用する独立請求項の記載内容をも考慮して、並列独立請求項の権利範囲を解釈しなければならないとした[1]。
2.背景
(1)特許の内容
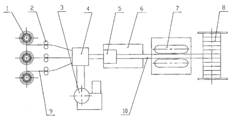
ハルピン工業大学星河実業有限公司(原告)は2005年7月7日スチール帯増強プラスチック排水水道管、その製造方法及び装置と称する発明特許出願を行った。出願番号はZL200510082911.4(以下、911特許という)である。実体審査を経て2006年3月8日特許が成立した。参考図1は911特許の工程を示す説明図である。
参考図1 911特許の工程を示す説明図
以下、製造工程の概要を説明する。引取機7が巻き戻し装置1のスチール帯9を引き取ることにより、スチール帯9を、ガイドロール2の案内下で一体成形型4に供給する。一体成形型4は、押出機3と垂直に接続されている。一体成形型4の内側の空洞の形状は、複合材プロファイル10の形状に対応している。スチール帯9が一体成形型4を通過する際に、押出機3は、スチール帯9が一体成形型4の内部でプラスチック溶融物によって内包されるように、一体成形型4の中にプラスチック溶融物を押出す。
軟らかい複合材プロファイル10が、引取機7の引張力によって、一体成形型4から引き出される。引取機の連続的な引張作用を受けながら、軟らかい複合材プロファイルは、進み続け、真空サイジング型5の中を移動する際に冷却され、更に水冷タンク6の中を移動する際に冷却され室温に達し、最終的に、補強されたスチール帯を有する複合材プロファイル10が形成される。参考図2は管先端の断面図である。
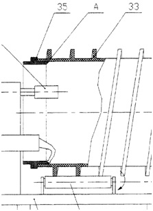
参考図2 管先端の断面図
最後に管の先端にソケットアダプタ35が取り付けられる。
争点となった請求項は以下のとおりである。
【請求項1】
スチール帯増強プラスチック排水パイプラインにおいて,プラスチック管体及び管体と一体となった強化リブを含み,強化リブ内に増強スチール帯を有し,
スチール帯上に略矩形または円形の通り穴を有し、或いは、スチール帯両側プレスに溝を有し,2つのリブの間のプラスチック形状は中間凸部を有し,管体の端部は連接用のソケットアダプタを有し,ソケットアダプタの連接部は密封ゴムまたはゴム環を有する。
【請求項2】
請求項1に記載のスチール帯増強プラスチック排水パイプラインの製造方法において,以下のステップを含む:
A、押出機と一体成形型とを直角位置に配置し,スチール帯は一端から一体成形型に引き入れられ,かつ一体成形型内でプラスチックと複合し,冷却、定型、牽引を経た後、スチール帯増強プラスチック複合異型带材スチール帯を成形し;
B、異型带材を取り付け現場に搬送し;
C、異型带材を巻き付けて溶接し、スチール帯増強プラスチック排水管を形成し;
D、排水管の端口にプラスチックソケットアダプタを設置し、かつ、プラスチックソケットアダプタを溶接連接して、連続する排水パイプラインを形成する。
【請求項6】
請求項2に記載の方法を実施するスチール帯増強プラスチック排水管を製造する装置において,:
A、スチール帯とプラスチックとを複合形成するスチール帯リブを有する異型带材複合装置と;
B、巻き付け溶接により異型带材を形成するスチール帯増強プラスチック排水管の巻き付け装置と;
C、スチール帯増強プラスチック排水管の端口でソケットアダプタを設置する装置とを備える。
原告は、請求項1,2及び6の特許権侵害であるとして、江蘇潤徳管業有限公司(被告)を提訴した。
3.最高人民法院での争点
争点:並列独立請求項の技術的範囲をどのように解釈するか
本事件において、人民法院は、被告の被疑侵害製品と、請求項1とを比較すれば、以下の2つの技術特徴が欠けていると認定した。この点に関し、双方当事者間で争いはない。
「スチール帯上に略矩形または円形の通り穴を有し、或いは、スチール帯両側プレスに溝を有し」、
「2つのリブの間のプラスチック形状は中間凸部を有し」
被告の当該被疑侵害製品を製造する被疑侵害方法、及び、被疑侵害方法の方法に用いる被疑侵害製造装置が並列独立請求項2及び6の技術的範囲に属するか否かが問題となった。
⇒第2回に続く
[1]最高人民法院2013年12月30日判決 (2013)民申字第790号
このコラムに類似したコラム
セミナーのご案内(中国特許の調べ方、書き方/中国商標法改正のポイント) 河野 英仁 - 弁理士(2014/03/04 14:00)
中国特許判例紹介(38):引用式並列独立請求項の技術的範囲解釈(第2回) 河野 英仁 - 弁理士(2015/01/23 11:00)
中国特許判例紹介(40):中国外観設計特許の保護範囲~物品の類似範囲の確定~ 河野 英仁 - 弁理士(2015/03/06 11:00)
早わかり中国特許:第46回 均等論の主張と禁反言 河野 英仁 - 弁理士(2015/02/27 11:00)
早わかり中国特許:第44回 特許の権利範囲解釈 河野 英仁 - 弁理士(2015/01/13 11:00)









