- 河野 英仁
- 河野特許事務所 弁理士
- 弁理士
対象:特許・商標・著作権
- 河野 英仁
- (弁理士)
- 河野 英仁
- (弁理士)
中国職務発明報酬の算定
~定年後の職務発明報酬額の決定~
中国特許判例紹介(39)(第1回)
2015年2月3日
執筆者 河野特許事務所
弁理士 河野 英仁
上海昂豊鉱機科技有限公司
上訴人(一審被告)
v.
銭鳴
被上訴人(一審原告)
1.概要
中国専利法では、職務発明の報酬に関し以下のとおり規定している。
専利法第16条
発明創造の特許を実施した後、その普及応用の範囲及び取得した経済的利益に基づき、発明者又は創作者に対して合理的な報酬を与えなければならない。
具体的な報酬の算定基準については、会社側と従業員との間の契約に基づき決定することができ、契約が存在しない場合は、実施細則第78条に基づく基準に従い、報酬を支払わなければならない。
本事件では定年後に再び会社の顧問として研究開発を行った発明者が会社との間で締結した特許使用協議(特許実施許諾契約)に基づき、職務発明報酬の支払いを会社側に要求した。
中級人民法院[1]及び高級人民法院[2]共に特許使用協議は実質上職務発明に係る契約であると認定し、発明者の主張を認める判決をなした。
2.背景
(1)特許の内容
銭鳴(原告)は上海昂豊鉱機科技有限公司(被告)の職に就く期間,自身の長年の業務経験及び理論知識を利用して多くの発明をなした。被告は原告を発明者として以下の特許を取得した。
(i)特許1
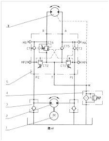
2005年7月15日、被告は国家知識産権局に特許1を申請し,2007年9月12日登録を得た。特許番号はZL200510027791.8である。特許権者は被告であり,発明者は原告及び朱宏敏である。特許1は下記図に示すように、バルブ体及び制御バルブ部材を有するダブルフロー自動制御バルブブロック5に関するものである。
(ii)特許6
2007年8月22日、被告は国家知識産権局に特許6を申請し,2008年6月11日登録を得た。特許番号はZL200720073943.2である。特許権者は被告,発明者は原告及び朱宏敏である。特許6は、バルブ体及び制御バルブ部材を有するダブルフロー差動ハイドロシリンダー自動制御バルブブロックに関する。
(iii)特許8
2009年7月10日、被告は国家知識産権局に特許8を申請した。2010年6月23日登録が認められた。特許番号はZL200920305998.0であり,特許権者は被告,発明者は原告及び朱宏敏である。
(iv)特許10
2010年4月13日,被告は国家知識産権局に特許10を申請した。2011年11月2日登録を得た。特許番号はZL201010145194.6であり,特許権者は被告,発明者は原告及び朱宏敏である。特許10は、電磁プラグバルブ制御構造を有する電動液圧クラブバケットに関する。
(2)特許使用協議
原告と被告は原告が発明した特許に関し、2005年3月29日双方で《特許使用協議》にサインした。特許使用協議の内容は以下のとおりである。
第1条:原告は被告の職に就く期間,自身の長年の業務経験及び理論知識を利用し,被告製品の需要と研究開発した特許を結合し,被告の申請により審查承認を経た後,本協議を適用する。その他の特許は原告の非職務特許とする。
第4条:原告は職に就く期間、或いは、原告が離職したが原告单独で特許を使用しない場合、被告は原告に製品(セット部品、特許部分の付属品を含む)の売価の1%を特許使用費として支払う。被告は毎年一月決算し、かつ、前一年度の原告が得るべき特許使用費を支払う。ただし各特許の使用費は毎年最低一万元(約17万円),最高三万元(約51万円)とする。
第6条:本協議は特許有効期間内効力を有する。失効した特許には、双方共に本協議に拘束されない。
3.高級人民法院での争点
高級人民法院では以下の点が問題となった。
争点1: 被告は《特許使用協議》の契約に基づき原告に職務発明報酬を支払うべきか否か
争点2:被告は原告の従業員といえるか否か
争点3: 被告は原告に支払う職務発明報酬の額を如何に計算すべきか。
⇒第2回に続く
[1] 上海市第二中級人民法院判決 (2012)滬二中民五(知)初字第124号
[2] 上海市高級人民法院2013年10月24日判決 (2013)滬高民三(知)終字第88号
このコラムに類似したコラム
セミナーのご案内(中国特許の調べ方、書き方/中国商標法改正のポイント) 河野 英仁 - 弁理士(2014/03/04 14:00)
早わかり中国特許:第46回 均等論の主張と禁反言 河野 英仁 - 弁理士(2015/02/27 11:00)
中国特許判例紹介(39):中国職務発明報酬の算定(第2回) 河野 英仁 - 弁理士(2015/02/06 11:00)
インド特許法の基礎(第20回)~外国出願許可と秘密保持命令(2)~ 河野 英仁 - 弁理士(2015/01/27 11:00)
知財リスクは国外からやってくる~中国で特許出願増大中~ 河野 英仁 - 弁理士(2014/11/04 11:00)








